Menu
Sök
Personal menu
Sök i butiken
Close
Sök
Mitt konto
Mitt konto
Close
Logga in
Webshop - Alla kategorier
Menu
Close
AMAB Startsida
Ledningskomponenter
Hydraulikkomponenter
Pneumatik
Övriga Produkter
Pressmått
Kontakt
Webshop - Alla kategorier
Back
Ledningskomponenter
Hydraulikkomponenter
Pneumatik
Övriga Produkter
AMAB Startsida
Pressmått
Kontakt
Föregående artikel
Slangbrottsventil VUBA 3/8'...
Nästa artikel
Slangbrottsventil VUBR 1/2"
Hem
/
Hydraulikkomponenter
/
Hjälpventiler
/
Spärrventiler
/
Slangbrottsventiler
/
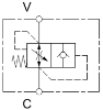
Slangbrottsventil VUBA 3/8" T 20 L/M S. 0,8
Slangbrottsventil VUBA 3/8" T 20 L/M S. 0,8
Insats, Oleodinamica Marchesini
G 3/8" 30 MPa 5-45 l/min
OEM: V0780/T
Artikelnr:
8010023720
Dela:
Share on Twitter
Share on Facebook
Share on Pinterest
Tipsa en vän
Specifikationer
Dokumentation
Specifikationer
Användningsområde
Slangbrottsventil
Arbetstryck
35 MPa
Beskrivning
Insats
Storlek
G 3/8"
Fabrikat
Oleodinamica Marchesini
OEM
V0780/T
Område
5-45 l/min
Fabriksinställning
20 l/min
Dokument
Web - Teknisk data
VUBA