Menu
Sök
Personal menu
Sök i butiken
Close
Sök
Mitt konto
Mitt konto
Close
Logga in
Webshop - Alla kategorier
Menu
Close
AMAB Startsida
Ledningskomponenter
Hydraulikkomponenter
Pneumatik
Övriga Produkter
Pressmått
Kontakt
Webshop - Alla kategorier
Back
Ledningskomponenter
Hydraulikkomponenter
Pneumatik
Övriga Produkter
AMAB Startsida
Pressmått
Kontakt
Föregående artikel
FP Mellanstycke A
Nästa artikel
FP Mellanstycke E
Hem
/
Hydraulikkomponenter
/
Miniaggregat
/
Lösa delar miniaggregat
/
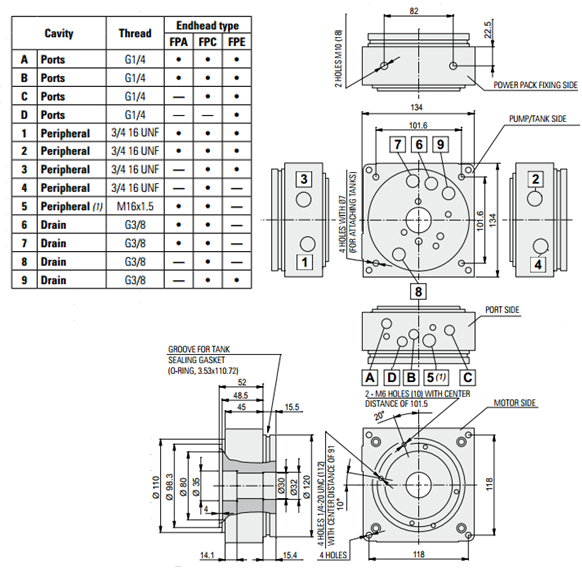
FP Mellanstycke C
FP Mellanstycke C
Tillverkare:
Dana DPC Hydraulics S.r.l.
Artikelnr:
8888100021
Dela:
Share on Twitter
Share on Facebook
Share on Pinterest
Tipsa en vän
Specifikationer
Dokumentation
Specifikationer
Användningsområde
Miniaggregat FP
Förp. Antal
1
Typ
FPC
Beskrivning
Mellanstycke
Kavitet
Antal 4
Pos
3
Fabrikat
Dana
Dokument
FP mellanstycke