Menu
Sök
Personal menu
Sök i butiken
Close
Sök
Mitt konto
Mitt konto
Close
Logga in
Webshop - Alla kategorier
Menu
Close
AMAB Startsida
Ledningskomponenter
Hydraulikkomponenter
Pneumatik
Övriga Produkter
Pressmått
Kontakt
Webshop - Alla kategorier
Back
Ledningskomponenter
Hydraulikkomponenter
Pneumatik
Övriga Produkter
AMAB Startsida
Pressmått
Kontakt
Föregående artikel
FP NG6 Block 4 stations
Nästa artikel
FP Påfylln/And.plugg 1/2"
Hem
/
Hydraulikkomponenter
/
Miniaggregat
/
Lösa delar miniaggregat
/
FP NG6 Block 5 stations
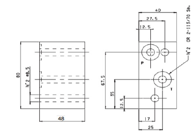
FP NG6 Block 5 stations
Tillverkare:
Dana DPC Hydraulics S.r.l.
Artikelnr:
8888100345
Dela:
Share on Twitter
Share on Facebook
Share on Pinterest
Tipsa en vän
Specifikationer
Dokumentation
Specifikationer
Användningsområde
Miniaggregat FP
Förp. Antal
1
Beskrivning
NG6 block 5 stations
Anslutning
G 3/8"
Antal sektioner
5
Pos
20
Fabrikat
Dana
Dokument
FP montageblock 342