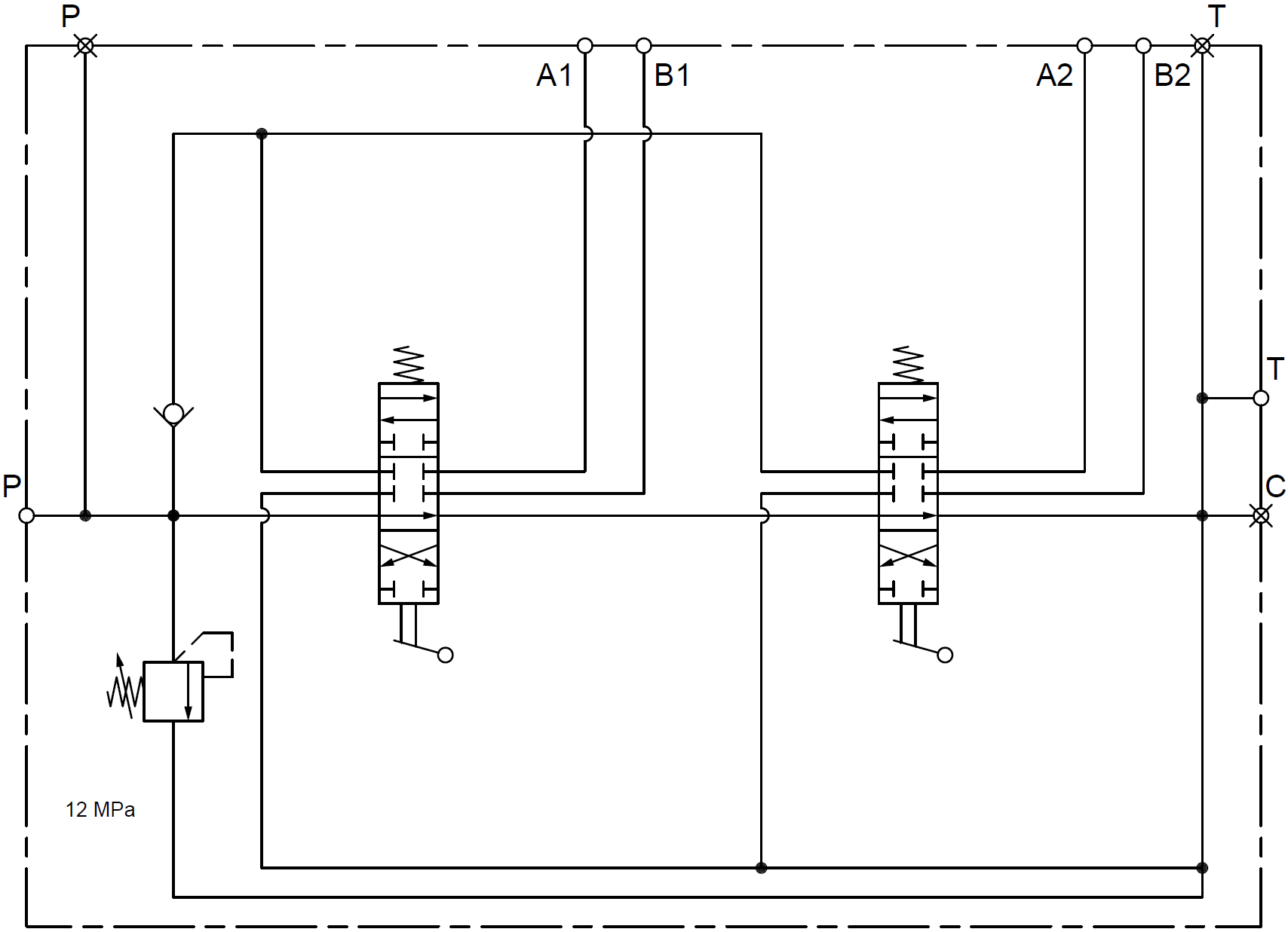
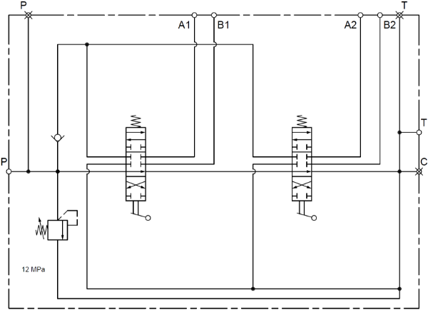
Ventil SD11/2-P(KG3-120)/18L/18L/AET

Tillverkare: Walvoil SpA
Riktningsventil monoblock Walvoil
2-sektioner
Spakar ingår: Nej
OEM: 104211001
Artikelnr: 8651100000
Specifikationer
Fabrikat Walvoil
Användningsområde Riktningsventil monoblock
Arbetstryck 31,5 MPa
Flöde 70 l/min
Antal sektioner 2
OEM 104211001
Serie SD11
Spak ingår Nej
Spak typ M10
Kunder som köpte denna köpte också

Handspak Walvoil M10X200

Artnr: 8650000020

Tillverkare: Walvoil SpA

OEM: 170012020

Handspak Walvoil M8X120

Artnr: 8600000020

Tillverkare: Walvoil SpA

OEM: 170011012
Oleodinamica Marchesini
G 3/8"", 35 l/min, 35 MPa, 1:3,1
Stål
OEM: V0441

Slidkontroll Lägesspärr 9B-10B SD11

Artnr: 8650000109

Tillverkare: Walvoil SpA

Walvoil
OEM: 5V09110000