Menu
Sök
Personal menu
Sök i butiken
Close
Sök
Mitt konto
Mitt konto
Close
Logga in
Webshop - Alla kategorier
Menu
Close
AMAB Startsida
Ledningskomponenter
Hydraulikkomponenter
Pneumatik
Övriga Produkter
Pressmått
Kontakt
Webshop - Alla kategorier
Back
Ledningskomponenter
Hydraulikkomponenter
Pneumatik
Övriga Produkter
AMAB Startsida
Pressmått
Kontakt
Föregående artikel
Riktningsventil RM232-DM-DM...
Nästa artikel
Riktningsventil RM233-DM-DM...
Hem
/
Hydraulikkomponenter
/
Riktningsventiler
/
Nordhydraulic riktningsventiler
/
RM 230
/
Riktningsventil RM232-DM-DM-T
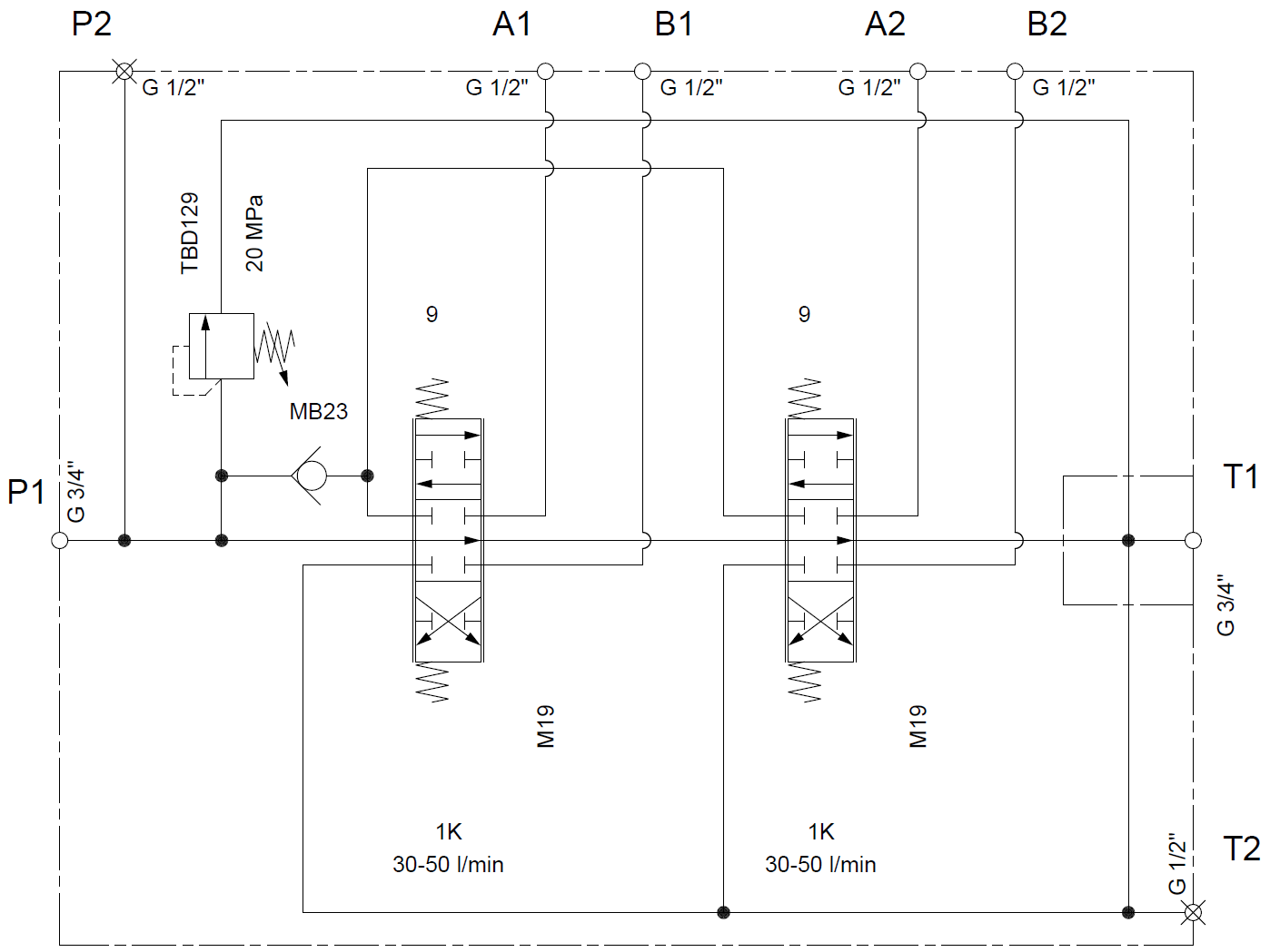
Riktningsventil RM232-DM-DM-T
Tillverkare:
Nordhydraulic AB
Monoblock Nordhydraulic
RM232/TBD 200/MB23
1K/910/M19
1K/910/M19
T
OEM: 1572-014621
Artikelnr:
8721100000
Dela:
Share on Twitter
Share on Facebook
Share on Pinterest
Tipsa en vän
Specifikationer
Dokumentation
Specifikationer
Antal sektioner
2
Fabrikat
Nordhydraulic
Användningsområde
Riktningsventil monoblock
Arbetstryck
21 MPa
Flöde
70 l/min
Ytbehandling
RAL 9005
OEM
1572-014621
Serie
RM230
Dokument
Web - Teknisk data
RM230 Datablad
8721100000 Schema