Menu
Sök
Personal menu
Sök i butiken
Close
Sök
Mitt konto
Mitt konto
Close
Logga in
Webshop - Alla kategorier
Menu
Close
AMAB Startsida
Ledningskomponenter
Hydraulikkomponenter
Pneumatik
Övriga Produkter
Pressmått
Kontakt
Webshop - Alla kategorier
Back
Ledningskomponenter
Hydraulikkomponenter
Pneumatik
Övriga Produkter
AMAB Startsida
Pressmått
Kontakt
Föregående artikel
Riktningsventil RM276-DM-DM...
Nästa artikel
Riktningsventil RM271-DP-T
Hem
/
Hydraulikkomponenter
/
Riktningsventiler
/
Nordhydraulic riktningsventiler
/
RM 270
/
Riktningsventil RM276-DP-DP-DP-DP-DP-DP-T
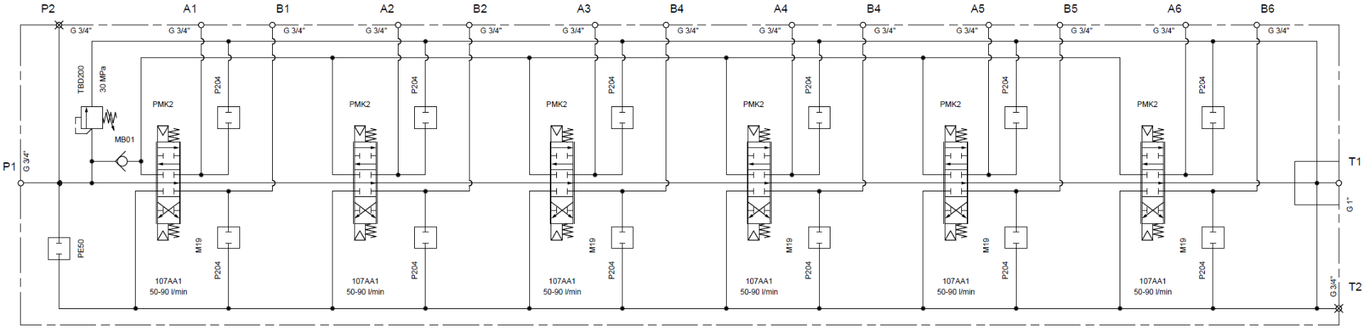
Riktningsventil RM276-DP-DP-DP-DP-DP-DP-T
Tillverkare:
Nordhydraulic AB
Monoblock Nordhydraulic
RM276/TBD 260/MB01/PE50
107AA1/PMK2/M19
107AA1/PMK2/M19
107AA1/PMK2/M19
107AA1/PMK2/M19
107AA1/PMK2/M19
107AA1/PMK2/M19
T
OEM: 1606-006314
Artikelnr:
8771111110
Dela:
Share on Twitter
Share on Facebook
Share on Pinterest
Tipsa en vän
Specifikationer
Dokumentation
Specifikationer
Antal sektioner
6
Fabrikat
Nordhydraulic
Användningsområde
Riktningsventil monoblock
Arbetstryck
21 MPa
Flöde
120 l/min
Ytbehandling
RAL 9005
OEM
1606-006314
Serie
RM270
Dokument
Web - Teknisk data
RM 270 Datablad
8771111110 Schema