Menu
Sök
Personal menu
Sök i butiken
Close
Sök
Mitt konto
Mitt konto
Close
Logga in
Webshop - Alla kategorier
Menu
Close
AMAB Startsida
Ledningskomponenter
Hydraulikkomponenter
Pneumatik
Övriga Produkter
Pressmått
Kontakt
Webshop - Alla kategorier
Back
Ledningskomponenter
Hydraulikkomponenter
Pneumatik
Övriga Produkter
AMAB Startsida
Pressmått
Kontakt
Föregående artikel
Riktningsventil RM272-DP-ES...
Nästa artikel
Riktningsventil RM274-DP-DP...
Hem
/
Hydraulikkomponenter
/
Riktningsventiler
/
Nordhydraulic riktningsventiler
/
RM 270 Super Rapid snabbsänkning
/
Riktningsventil RM273-DP-DP-ESP-T
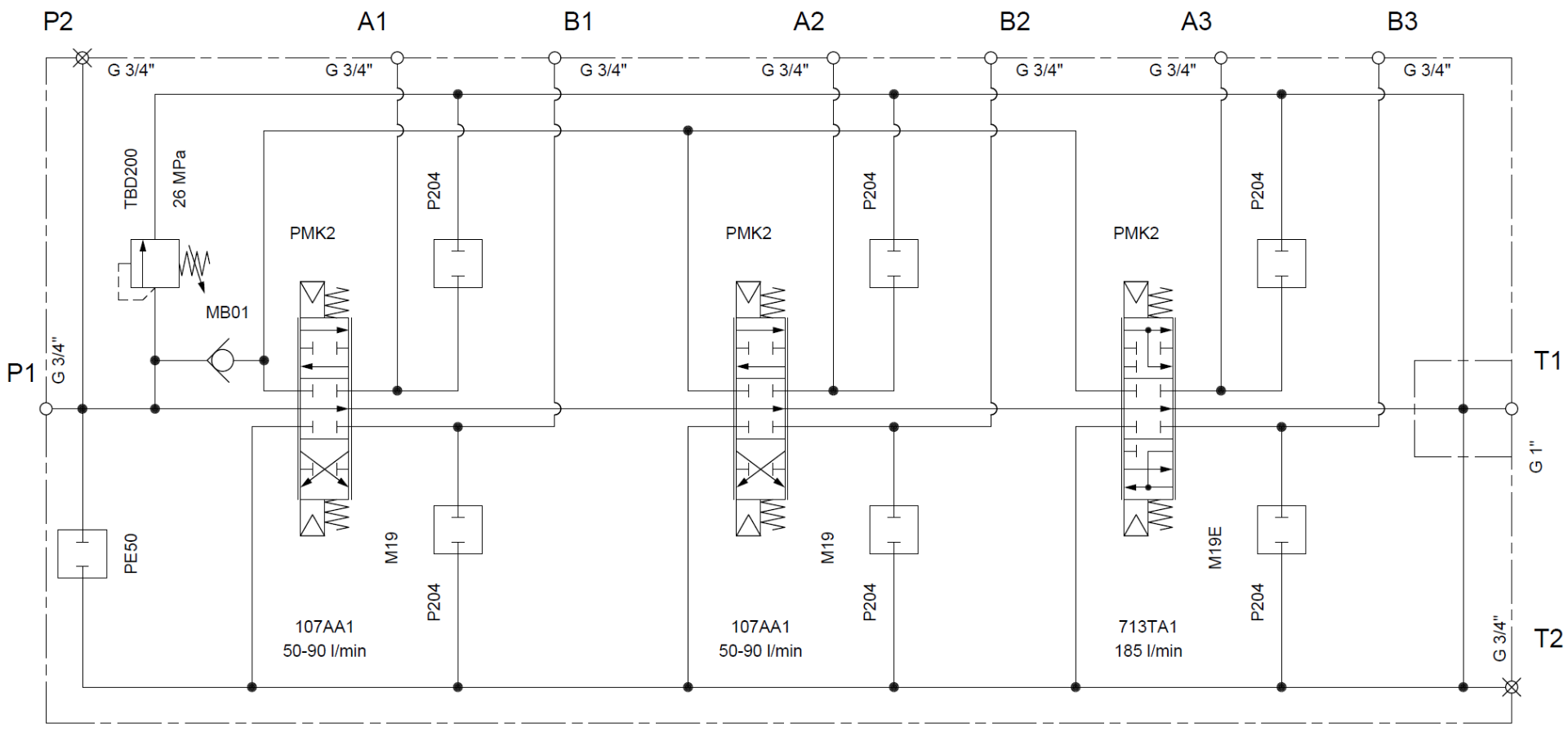
Riktningsventil RM273-DP-DP-ESP-T
Tillverkare:
Nordhydraulic AB
Monoblock Nordhydraulic
RM273/TBD 260/MB01/PE50
107AA1/PMK2/M19
107AA1/PMK2/M19
713TA2/PMK2/M19E (Super Rapid)
T
OEM: 1603-021666
Artikelnr:
8771120000
Dela:
Share on Twitter
Share on Facebook
Share on Pinterest
Tipsa en vän
Leverera till
Välj land
Sweden
*
Övrigt
*
Leveranssätt
Namn
Beräknad leverans
Pris
Inga leveransalternativ
Använd
Specifikationer
Dokumentation
Specifikationer
Användningsområde
Riktningsventil monoblock
Arbetstryck
21 MPa
Flöde
120 l/min
Ytbehandling
RAL 9005
Antal sektioner
3
Fabrikat
Nordhydraulic
OEM
1603-021666
Serie
RM270
Dokument
Web - Teknisk data
RM 270 Datablad
8771120000 Schema