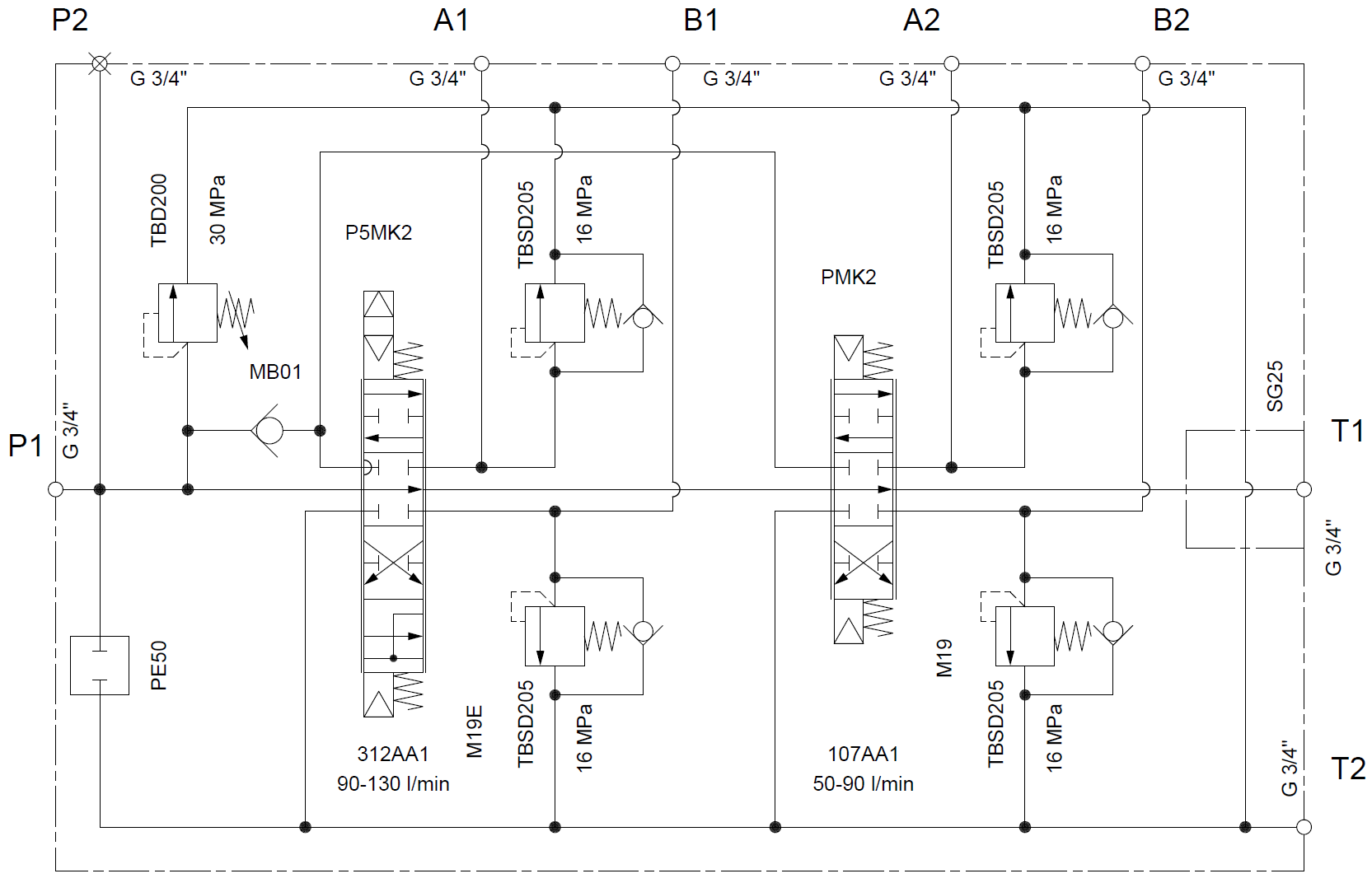
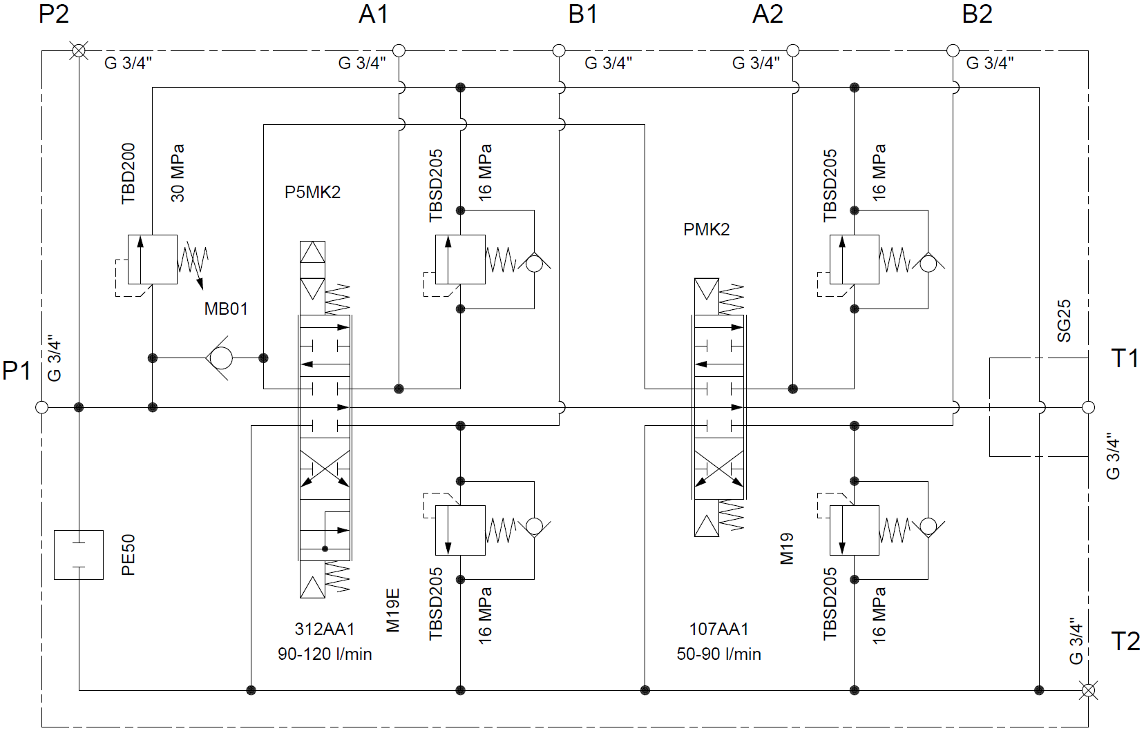
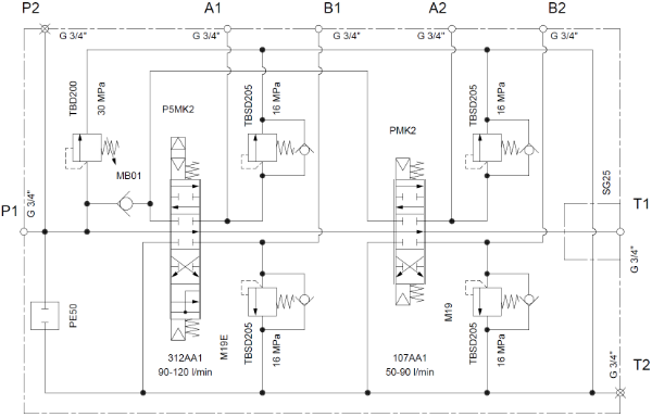
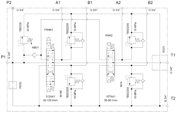
Riktningsventil RM272-DFP-DP-S

Tillverkare: Nordhydraulic AB
Monoblock Nordhydraulic
RM272/TBD 300/MB01/PE50
312AA1/P5MK2/M19E/A-TBSD 160/B-TBSD 160
107AA1/PMK2/M19/A-TBSD 160/B-TBSD 160
SG25
OEM: 1602-004911
Artikelnr: 8773420402
Specifikationer
Fabrikat Nordhydraulic
Användningsområde Riktningsventil monoblock
Arbetstryck 21 MPa
Flöde 120 l/min
Ytbehandling RAL 9005
Antal sektioner 2
OEM 1602-004911
Serie RM270
Dokument
Kunder som köpte denna köpte också
Väljarventil Nordhydraulic
3/2, G 3/4"", 160 l/min, Luft
Arbetstryck: 25 MPa
OEM: 1502-6910815

Slidkontroll RM 270 Luft PMK2

Artnr: 8770000400

Tillverkare: Nordhydraulic AB

Nordhydraulic
OEM: 2175-804292