Menu
Sök
Personal menu
Sök i butiken
Close
Sök
Mitt konto
Mitt konto
Close
Logga in
Webshop - Alla kategorier
Menu
Close
AMAB Startsida
Ledningskomponenter
Hydraulikkomponenter
Pneumatik
Övriga Produkter
Pressmått
Kontakt
Webshop - Alla kategorier
Back
Ledningskomponenter
Hydraulikkomponenter
Pneumatik
Övriga Produkter
AMAB Startsida
Pressmått
Kontakt
Föregående artikel
Riktningsventil RM272-EP-EP...
Nästa artikel
Riktningsventil RM273-DP-DP...
Hem
/
Hydraulikkomponenter
/
Riktningsventiler
/
Nordhydraulic riktningsventiler
/
RM 270
/
Riktningsventil RM273-DFP-DP-DP-S
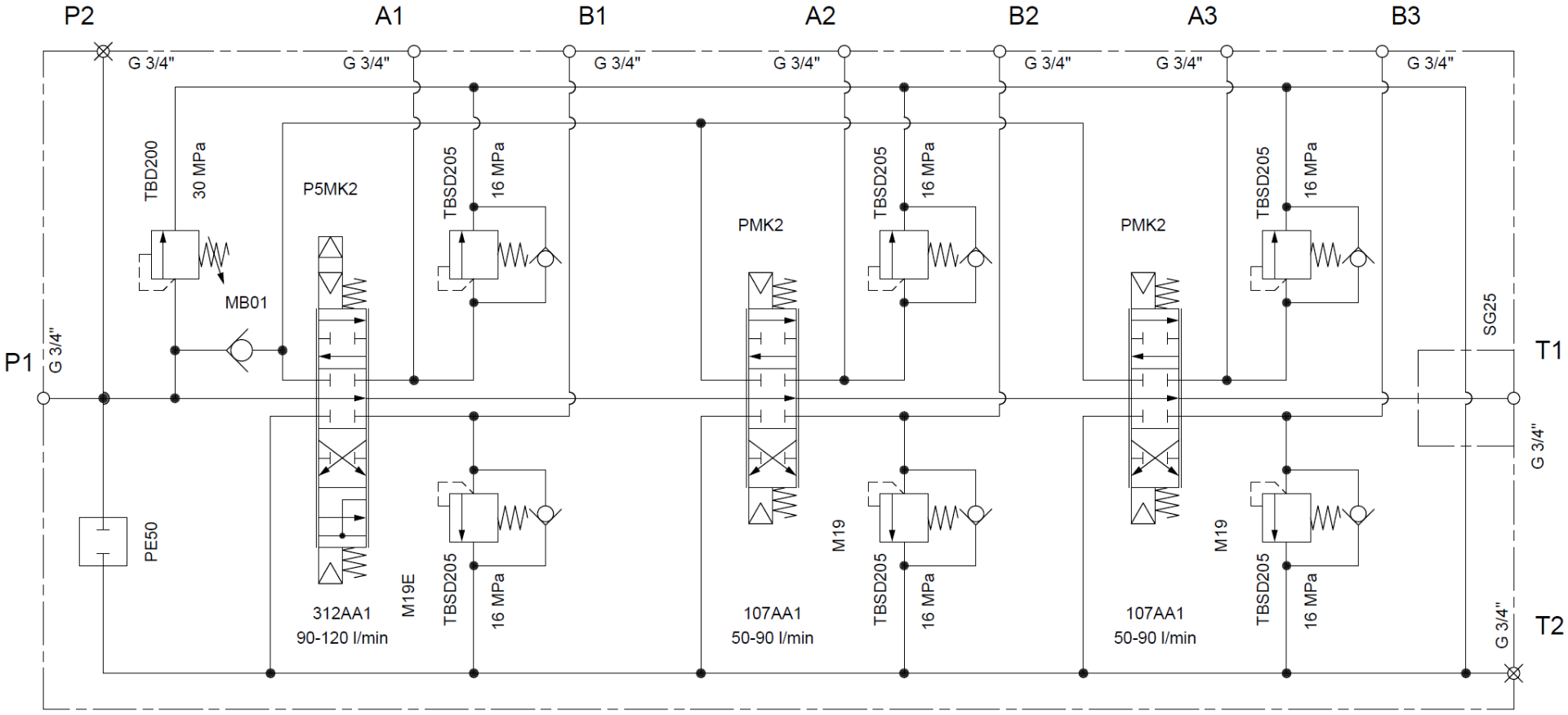
Riktningsventil RM273-DFP-DP-DP-S
Tillverkare:
Nordhydraulic AB
Monoblock Nordhydraulic
RM273/TBD 300/MB01/PE50
312AA1/P/M19E/A-TBSD 160/B-TBSD 160
107AA1/P/M19/A-TBSD 160/B-TBSD 160
107AA1/P/M19/A-TBSD 160/B-TBSD 160
SG25
OEM: 1603-02306
Artikelnr:
8773420403
Dela:
Share on Twitter
Share on Facebook
Share on Pinterest
Tipsa en vän
Specifikationer
Dokumentation
Specifikationer
Fabrikat
Nordhydraulic
Användningsområde
Riktningsventil monoblock
Flöde
120 l/min
Antal sektioner
3
Arbetstryck
21 MPa
OEM
1603-02306
Serie
RM270
Ytbehandling
Primer RAL9005
Dokument
Web - Teknisk data
RM 270 Datablad
8773420403 Schema