Menu
Sök
Personal menu
Sök i butiken
Close
Sök
Mitt konto
Mitt konto
Close
Logga in
Webshop - Alla kategorier
Menu
Close
AMAB Startsida
Ledningskomponenter
Hydraulikkomponenter
Pneumatik
Övriga Produkter
Pressmått
Kontakt
Webshop - Alla kategorier
Back
Ledningskomponenter
Hydraulikkomponenter
Pneumatik
Övriga Produkter
AMAB Startsida
Pressmått
Kontakt
Föregående artikel
Riktningsventil RM271-EP-S
Nästa artikel
Riktningsventil RM271-EP-T
Hem
/
Hydraulikkomponenter
/
Riktningsventiler
/
Nordhydraulic riktningsventiler
/
RM 270
/
Riktningsventil RM271-EP-T
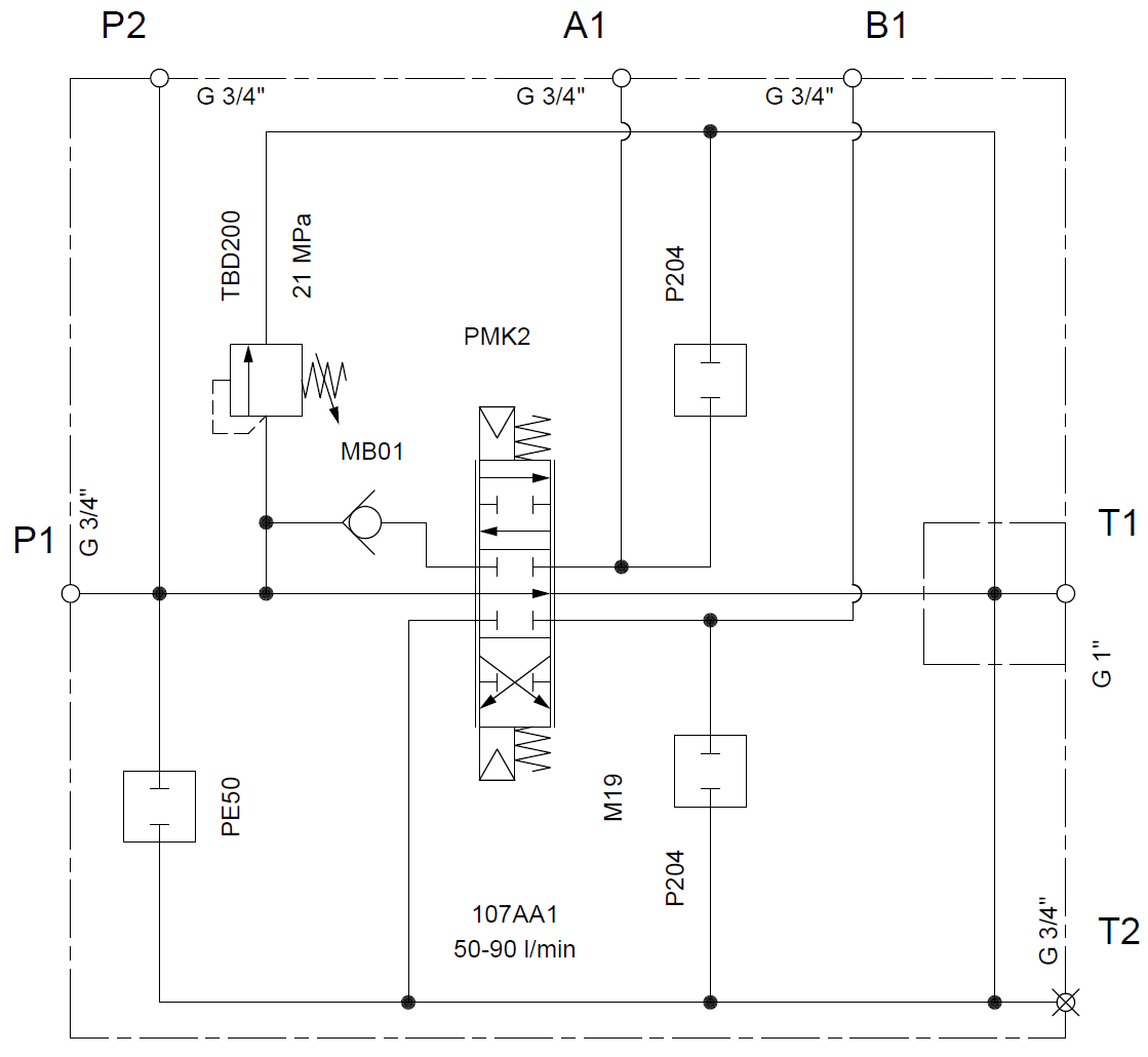
Riktningsventil RM271-EP-T
Tillverkare:
Nordhydraulic AB
Monoblock Nordhydraulic
RM271/TBD 250/MB01/PE50
212AA1/PMK2/M19/A-TBD 180
T
OEM: 1601-015185
Artikelnr:
8776021101
Dela:
Share on Twitter
Share on Facebook
Share on Pinterest
Tipsa en vän
Specifikationer
Dokumentation
Specifikationer
Antal sektioner
1
Fabrikat
Nordhydraulic
Användningsområde
Riktningsventil monoblock
Arbetstryck
21 MPa
Flöde
120 l/min
Ytbehandling
RAL 9005
OEM
1601-015185
Serie
RM270
Dokument
Web - Teknisk data
RM 270 Datablad
8776021101 Schema