Menu
Sök
Personal menu
Sök i butiken
Close
Sök
Mitt konto
Mitt konto
Close
Logga in
Webshop - Alla kategorier
Menu
Close
AMAB Startsida
Ledningskomponenter
Hydraulikkomponenter
Pneumatik
Övriga Produkter
Pressmått
Kontakt
Webshop - Alla kategorier
Back
Ledningskomponenter
Hydraulikkomponenter
Pneumatik
Övriga Produkter
AMAB Startsida
Pressmått
Kontakt
Föregående artikel
Riktningsventil RM273-DP-DP...
Nästa artikel
Riktningsventil RM274-DFP-D...
Hem
/
Hydraulikkomponenter
/
Riktningsventiler
/
Nordhydraulic riktningsventiler
/
RM 270
/
Riktningsventil RM273-EP-EP-DP-T
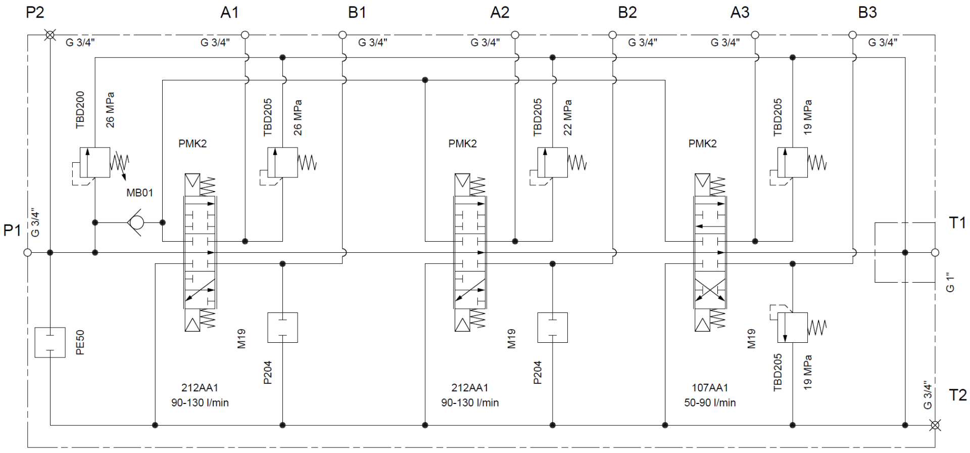
Riktningsventil RM273-EP-EP-DP-T
Tillverkare:
Nordhydraulic AB
Monoblock Nordhydraulic
RM273/TBD 260/MB01/PE50
212AA1/PMK2/M19/A-TBD 260
212AA1/PMK2/M19/A-TBD 220
107AA1/PMK2/M19/A-TBD 190/B-TBD 190
T
OEM: 1603-012248
Artikelnr:
8773110000
Dela:
Share on Twitter
Share on Facebook
Share on Pinterest
Tipsa en vän
Specifikationer
Dokumentation
Specifikationer
Antal sektioner
3
Fabrikat
Nordhydraulic
Användningsområde
Riktningsventil monoblock
Arbetstryck
21 MPa
Flöde
120 l/min
Ytbehandling
RAL 1042
OEM
1603-012248
Serie
RM270
Dokument
Web - Teknisk data
RM 270 Datablad
8773110000 Schema